Modelo analítico para detectar niveles de glucosa en sangre utilizando COMSOL Multiphysics®
- Detalles
- Categoría: Comsol
- Visto: 1532
Introducción y objetivos
La diabetes es actualmente una de las diez primeras causas de muerte en el mundo [1]. Los métodos actuales de monitorización de la glucosa en sangre, como las pruebas capilares o venosas, son inconvenientes para su uso frecuente, lo que dificulta la monitorización continua de pacientes diabéticos. Como alternativa, B.G. Pedro y sus colaboradores [2] trabajan en el desarrollo un modelo que relaciona la impedancia eléctrica con los niveles de glucosa en sangre. El estudio explora cómo los cambios en la concentración de glucosa afectan la conductividad de la sangre, lo que se evalúa a través de un modelo numérico de elementos finitos implementado en COMSOL Multiphysics®.
Modelización y simulación
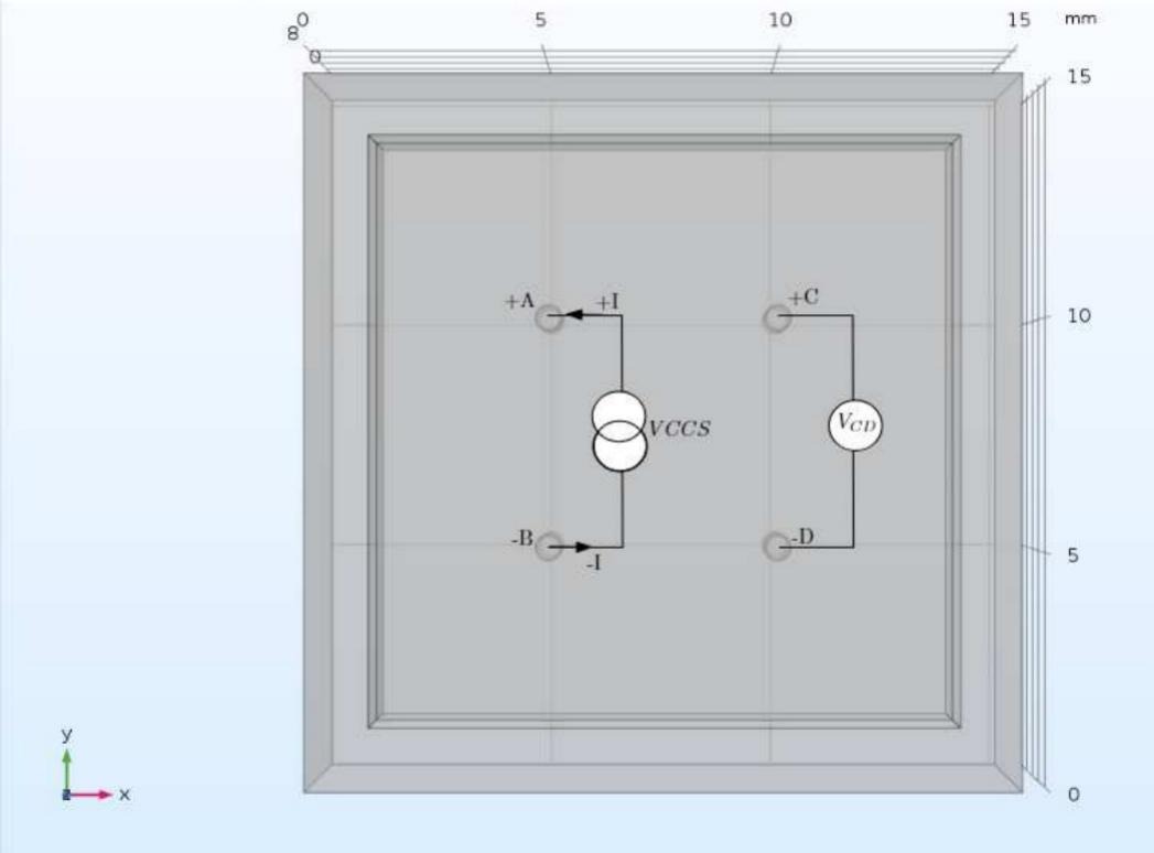
La Figura 1 (portada) muestra la geometría del modelo 3D creado en COMSOL para analizar la sensibilidad de una sonda de impedancia tetrapolar e investigar los factores limitantes que podrían tener un impacto al tratar con experimentos in vitro. Se investigaron los factores geométricos que afectan la sensibilidad de los electrodos, como su disposición espacial y su proximidad al volumen conductor. El análisis permitió identificar las configuraciones óptimas para maximizar la sensibilidad del sistema frente a cambios en las concentraciones de glucosa en sangre.
La figura muestra la configuración del dispositivo de medición modelado en COMSOL Multiphysics utilizando cuatro electrodos, donde VCCS es una fuente de corriente controlada por voltaje, y VCD es la diferencia de potencial entre los electrodos C y D.
Resultados y Conclusiones
La Figura 2 muestra el incremento en la sensibilidad de los electrodos para distintos niveles de concentración de glucosa en sangre. Se observa que la geometría del electrodo limita la distribución de la sensibilidad dentro del volumen conductor. Por otra parte, los resultados experimentales y las simulaciones en COMSOL mostraron que la conductividad aumenta con la concentración de glucosa. Se demostró que una geometría de electrodo coplanar que utiliza una configuración tetrapolar es eficaz para medir concentraciones de glucosa hasta un máximo de 188 mg/dL.
La desviación máxima entre los resultados de las simulaciones y los datos experimentales fue del 3.75%, lo que indica un alto grado de precisión en las simulaciones realizadas con COMSOL. Estos resultados destacan la utilidad de COMSOL como herramienta para desarrollar dispositivos no invasivos que midan de forma no intrusiva y continua los niveles de glucosa en sangre.

Figura 2. Plano XY de la sensibilidad de los electrodos con respecto a la concentración de glucosa. (a) 106 mg/dL. (b) 123 mg/dL. (c) 132 mg/dL. (d) 188 mg/dL.
Referencias
[1] R. Williams, S. Karuranga, B. Malanda, P. Saeedi, A. Basit, S. Besançon, C. Bommer, A. Esteghamati, K. Ogurtsova, P. Zhang, et al. Global and regional estimates and projections of diabetes-related health expenditure: results from the international diabetes federation diabetes atlas, Diabetes Res. Clin. Pract., 162 (2020), 108072
[2] B.G. Pedro, J.A. Gomez Sanchez, P. Bertemes-Filho, Analytical model for blood glucose detection using electrical impedance spectroscopy, Sensing and Bio-Sensing Research (2024), 100698.